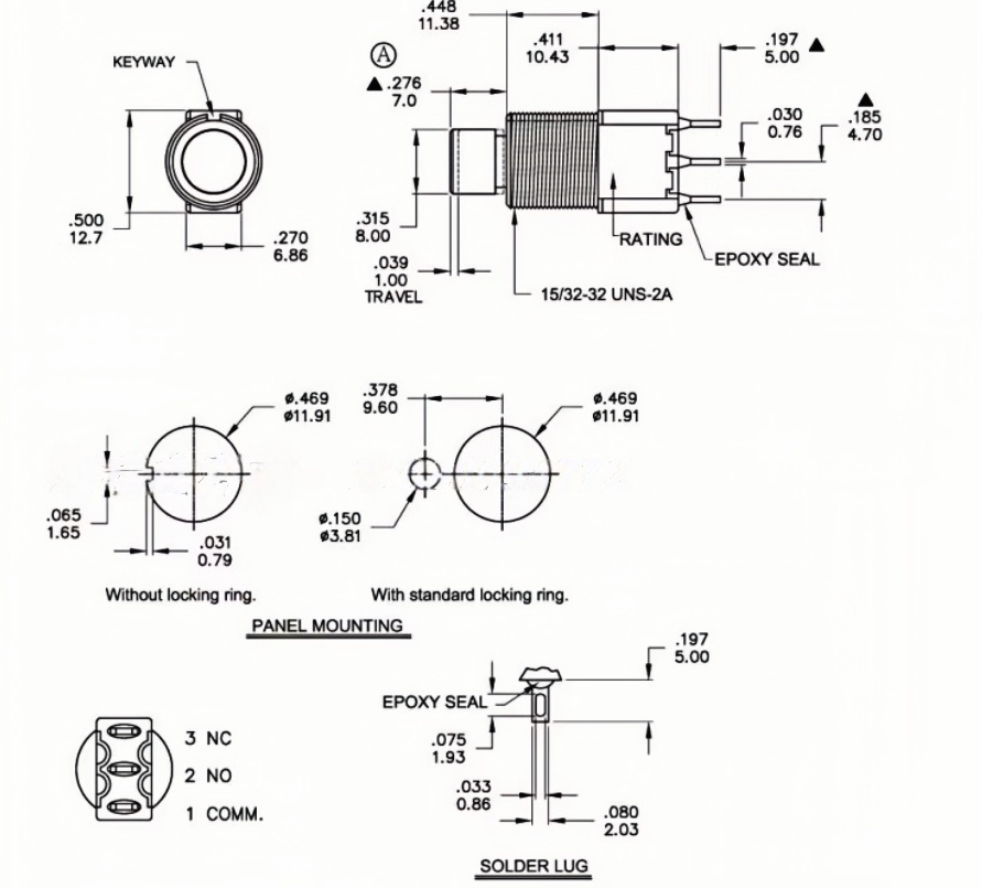
These premium metal push button switches combine snap-acting precision with multi-level authentication features, ensuring reliable performance in demanding environments. Constructed from durable metal for long-lasting use. Designed to meet rigorous safety and quality standards, they are ideal for industrial control systems, automation equipment, and high-security applications where accuracy and durability are critical. Perfect for scenarios requiring secure, repeatable operation with minimal maintenance.










There are no reviews yet.